在機測量的應用過程
在機(jī)測量的應用過程
查看詳情
什麽是觸發式測頭
什麽是觸發式測頭
查看詳情
什麽是機外(wài)對刀儀?用在哪些方麵(miàn)?
什麽是機外對刀儀?用(yòng)在哪些方麵?
查看詳情
老機床新改造,省錢又好用
老機(jī)床新改造,省錢又好用
查看詳情
【機(jī)床(chuáng)學院】各種螺紋傻(shǎ)傻分不清,幫你(nǐ)分辨不同(tóng)螺紋
【機床學院】各種螺紋傻傻分不清,幫(bāng)你分辨不同(tóng)螺紋
查(chá)看詳情
機床加工中用這一妙招可減少毛(máo)刺產生(shēng)
機床加工中用這一妙(miào)招可減少毛刺(cì)產生
查看詳情
【機床學院】車刀角度(dù)詳解,別再分不清(qīng)!
【機床學院】車刀角度詳解,別再分不清!
查看詳情
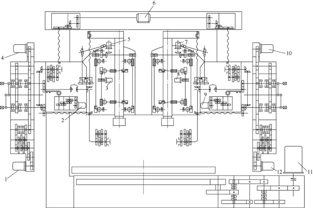
曲軸(zhóu)製造工藝大揭秘
曲軸製造工(gōng)藝大揭秘
查(chá)看詳情